- -3%
Aynanıza uygun ayağı bulun
Siparişten itibaren 3-5 iş gününde teslim
Mesafeli Ön Satış Sözleşmesi
Ödeme ve Teslimat
İptal ve İade Koşulları
Gizlilik ve Güvenlik
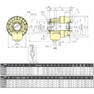
Açık Merkez Hidrolik Silindir, maksimum 3800 dev/dak hızda çalışan ve delik çapı 91 mm'lik bir olan bir yapıya sahiptir.
Hafif ve kompakt olan S serisi, Kitagawa'nın B-200 serisi aynalar ile uyumludur. Standart Kitagawa açık merkez silindir, sorunsuz performans için hassas işlenmiş piston ve döner aksamları ile uzun yıllar çalışma imkanı sağlar.
Max.Ø60mm Pens Kapasiteli Hızlı Değiştirilebilir (Quick Change) Hidrolik Pens Ayna
10 inç, 3 ayaklı hidrolik ayna (Büyük Delik çaplı Yeni Nesil Ayna)
Statik (sabit) Pnömatik aynalar.
Dahili hava silindirli 165mm
Ayak stroğu (çap):5.2mm
Sıkma çapı:23-165mm
Kitagawa’nın standart sabit parça bağlama aynası.
Ana özellikleri
Yüksek hassasiyet ve sıkma kuvveti ile stabil kesim sağlar.
Sıkma kuvveti, ayak ve iş parçası tipine göre değişkenlik göstermektedir.
Hava tüketimi= basınç altında 10mm başına 0,6MPa piston stroğu.
Kataloglar:
Kitagawa AS06 kataloğu için tıklayınız.
Kitagawa AS06 PDF çizimi için tıklayınız.
Kitagawa AS06 DXF çizimi için tıklayınız.
Kitagawa AS06 kullanım kılavuzu için tıklayınız.
8" Açık Merkez 3 Ayaklı Hızlı Değiştirilebilir Flanşlı Hidrolik Ayna
6 inç, 3 ayaklı standart hidrolik ayna.
Statik (sabit) Pnömatik aynalar.
Dahili hava silindirli 254mm
Çene stroğu (çap):6.3mm
Sıkma çapı:50-254mm
Kitagawa’nın standart sabit parça bağlama aynası.
Ana özellikleri
Yüksek hassasiyet ve sıkma kuvveti ile stabil kesim sağlar.
Sıkma kuvveti, ayak ve iş parçası tipine göre değişkenlik göstermektedir.
Hava tüketimi= basınç altında 10mm başına 0,6MPa piston stroğu.
Kataloglar:
Kitagawa AS06 kataloğu için tıklayınız.
Kitagawa AS06 PDF çizimi için tıklayınız.
Kitagawa AS06 DXF çizimi için tıklayınız.
Kitagawa AS06 kullanım kılavuzu için tıklayınız.
Statik (sabit) Pnömatik aynalar.
Dahili hava silindirli 210mm
Çene stroğu (çap):6.3mm
Sıkma çapı:30-210mm
Kitagawa’nın standart sabit parça bağlama aynası.
Ana özellikleri
Yüksek hassasiyet ve sıkma kuvveti ile stabil kesim sağlar.
Sıkma kuvveti, ayak ve iş parçası tipine göre değişkenlik göstermektedir.
Hava tüketimi= basınç altında 10mm başına 0,6MPa piston stroğu.
Kataloglar:
Kitagawa AS08 kataloğu için tıklayınız.
Kitagawa AS08 PDF çizimi için tıklayınız.
Kitagawa AS08 DXF çizimi için tıklayınız.
Kitagawa AS08 kullanım kılavuzu için tıklayınız.
12 inç, 3 ayaklı hidrolik ayna (Büyük Delik çaplı Yeni Nesil Ayna)
10 inç, 3 ayaklı standart hidrolik ayna.
12inç, 3 ayaklı standart hidrolik ayna.